
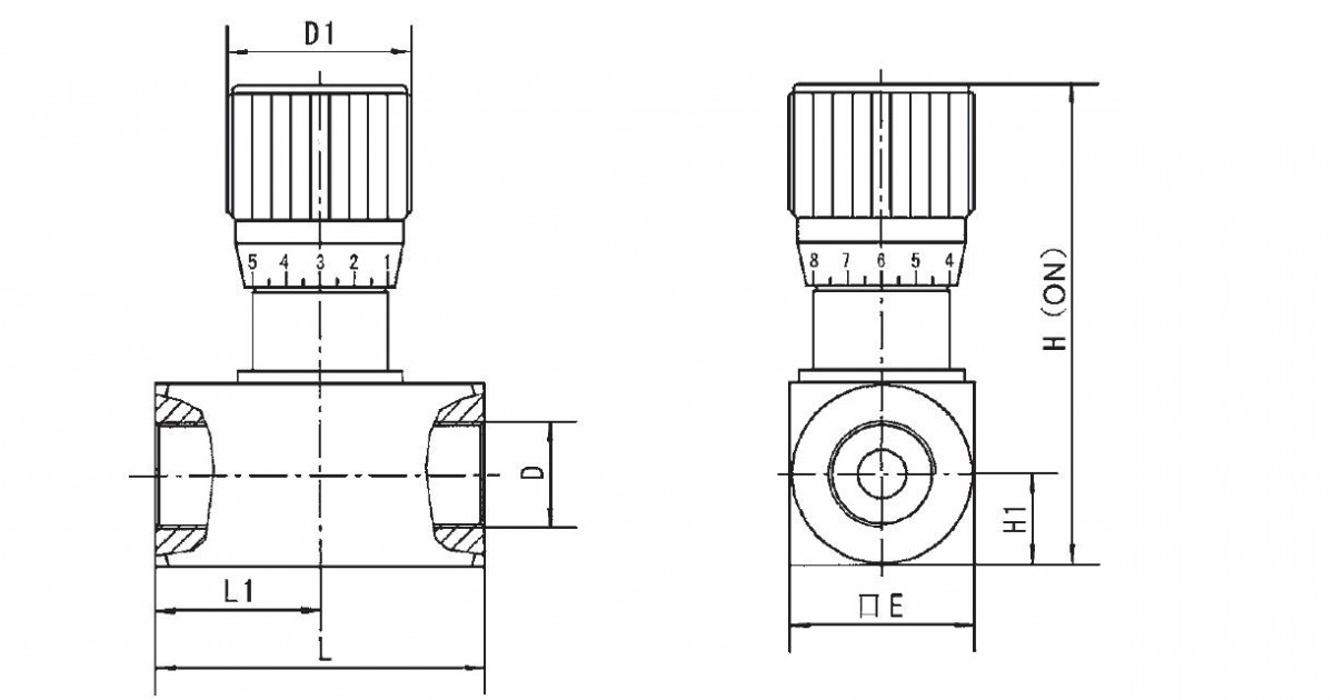
Дроссель 3/4 двунаправленный без обратного клапана L-G16
Файлы для скачивания:
Дроссель 3/4 двунаправленный без обратного клапана L-G16
1. Модель: Дроссель двунаправленный L
2.Тип подключения: Резьбовое «G» Фланцевое
3. Диаметр: 6, 8, 10, 12, 16, 20, 25 мм
4. Размер присоединение резьбы
5. Материал уплотнения:
Стандарт NBR (BUNA-N)
Под заказ FPM (VITON) «V»

Габаритные характеристики
Диаметр 6, 8, 10, 12, 16, 20, 25
Макс.рабочее давление 31.5МРа
Макс.расход (л/мин) 14, 40, 60, 85, 185, 200, 300
Рабочая среда Минеральное гидровлическое масло, органический фосфат

Рабочая температура -20-70 ℃
Давление открытия (БАР) 0.05МРа
Запорная система ... нет
Испытуемая жидкость ... нет
Материал корпуса ... углеродистая сталь.
Материал уплотнения ... NBR (BUNA-N) - 20 + 120 C По запросу: VITON -20 +200 C
Обработка поверхности ... цинкование и Cr III пассивация
Отвечают требованиям стандарта ... нет
Рабочая температура ... от -20 до +70

Тип товара ... Гидравлический дроссель
Фиксация системы ... нет
Монтаж ... нет
Резьба ... NPT / BSP / МЕТРИЧЕСКАЯ