
415 СЕРИЯ. РЕГУЛИРУЕМЫЕ НАСОСЫ
Файлы для скачивания:
340.1._Reguliruemye_nasosy_415_serii.pdfНазначение:
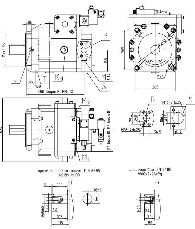
Регулируемый аксиально-поршневой насос с наклонной шайбой предназначен для работы в открытых гидросхемах.
Подача насоса пропорциональна частоте вращения вала и рабочему объему.
Величина рабочего объема бесступенчато регулируется от нуля до максимального значения за счет изменения угла наклона шайбы.
Особенности конструкции:
Исполнение вала:
Импортозамещение:
Дополнительные опции:
Технические характеристики:
